What Is a High Load Tie Rod Cushioning Cylinder?
A high load tie rod cylinder is a heavy-duty pneumatic actuator designed to generate large linear force over medium to long stroke distances.
Unlike compact cylinders, a tie rod cylinder uses external high-strength rods to secure the end caps to the barrel. This structure provides excellent rigidity under high pressure and repetitive industrial cycles.
The SCS2 cushioning cylinder integrates:
- Double acting operation (air extend & retract)
- Reinforced tie rod construction
- Adjustable air cushioning at both stroke ends
This design ensures smooth deceleration, reduced impact shock, and longer service life in demanding automation environments.
Why Choose CHDAC SCS2 High Load Cylinder?
For OEM manufacturers and automation integrators, stability and interchangeability matter.
The SCS2 series offers:
- High axial load capacity
- Adjustable end-of-stroke air cushioning
- CA1 standard dimensional compatibility
- Precision-machined piston rod
- 100% pressure testing before shipment
- Custom stroke manufacturing support
- Fast delivery for bulk industrial orders
If you are replacing a CA1 type tie rod cylinder, SCS2 can be installed directly with minimal system modification.
Key Features & Engineering Advantages
1. Heavy Duty Tie Rod Structure
The external tie rod design ensures:
- Superior structural rigidity
- Stable performance under 1.0 MPa working pressure
- Better resistance to vibration and repetitive cycles
- Suitability for long stroke applications
Compared with compact pneumatic cylinders, tie rod cylinders handle higher force output and longer stroke length.
2. Adjustable Air Cushioning System
This cushioning cylinder integrates an adjustable air buffer mechanism at both stroke ends.
Benefits include:
- Reduced piston impact
- Lower operating noise
- Extended seal lifespan
- Improved positioning stability
- Protection of connected machinery
The cushion screw allows fine-tuning according to load and speed requirements.
3. High Strength Materials
To ensure durability in industrial environments:
- Cylinder Barrel: Hard anodized aluminum alloy
- Piston Rod: #45 steel (ASTM 1045 equivalent), precision chrome-plated
- Sealing System: Wear-resistant seals designed for long service life
- Tie Rods: High tensile strength carbon steel
All cylinders are pressure tested before delivery.
Specifications
| CA1 | 20 | 50 |
| CA1BN:Standard type without magnet | Bore Size | Stroke |
| 40:40mm | ||
| 50:50mm | ||
| CDA1BN:With Magnet | 63:63mm | |
| 80:80mm | ||
| 100:100mm |
| SPECIFICATION | |||||
| Bore size(mm) | 40 | 50 | 63 | 80 | 100 |
| working Medium | Filtered compressed air | ||||
| Motion Pattern | Double action | ||||
| Pressure Endurance | 1.5MPa | ||||
| Operating pressure range | 0.05~1.0MPa | ||||
| Ambient Temperature | 5~60ºC | ||||
| Buffer cushioning | Air buffer | ||||
| Operating Speed | 50~500mm/s | ||||
| Port size | G1/4 | G3/8 | G3/8 | G1/2 | G1/2 |

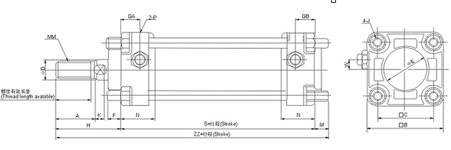
| Bore size | Stroke range | Thread length available | A | □B | □C | φD | φE | F | GA | GB | J | K | M | MM | N | P | S | W | H | ZZ |
| 40 | ~500 | 27 | 30 | 60 | 44 | 16 | 32 | 10 | 15 | 15 | M8×1.25 | 6 | 11 | M14×1.5 | 27 | 1/4 | 84 | 8 | 51 | 146 |
| 50 | ~600 | 32 | 35 | 70 | 52 | 20 | 40 | 10 | 17 | 17 | M8×1.25 | 7 | 11 | M18×1.5 | 30 | 3/8 | 90 | 0 | 58 | 159 |
| 63 | ~600 | 32 | 35 | 85 | 64 | 20 | 40 | 10 | 17 | 17 | M10×1.25 | 7 | 14 | M18×1.5 | 31 | 3/8 | 98 | 0 | 58 | 170 |
| 80 | ~750 | 37 | 40 | 102 | 78 | 25 | 52 | 14 | 21 | 21 | M12×1.75 | 11 | 17 | M22×1.5 | 37 | 1/2 | 116 | 0 | 71 | 204 |
| 100 | ~750 | 37 | 40 | 116 | 92 | 30 | 52 | 14 | 21 | 21 | M12×1.75 | 11 | 17 | M26×1.5 | 40 | 1/2 | 126 | 0 | 72 | 215 |
Typical Applications of High Load Tie Rod Cylinders
The SCS2 heavy duty pneumatic cylinder is widely used in:
- Automated assembly lines
- Packaging machinery
- Automotive production systems
- Heavy clamping mechanisms
- Material handling equipment
- Pressing and forming stations
- Industrial fixtures and jigs
It is especially suitable for applications requiring:
- Long stroke movement
- High thrust force
- Stable deceleration
- Continuous repetitive operation
How to Select the Right Cushioning Cylinder
When choosing a high load pneumatic cylinder, consider:
1. Required Output Force
Select bore size based on load and system pressure.
2. Stroke Length
Avoid excessive stroke length to reduce bending stress.
3. Working Pressure
Recommended operating range: 0.5 – 0.8 MPa for optimal stability.
4. Operating Speed
50–500 mm/s ensures effective air cushioning performance.
5. Mounting Type
Confirm flange, foot, or pivot mounting compatibility.
If unsure, provide your load, stroke, and pressure details — our team can recommend the suitable model.
Maintenance Recommendations
To ensure long-term performance:
- Use clean, filtered compressed air
- Regularly inspect seals
- Adjust cushioning screws properly
- Avoid overload operation
- Lubricate air supply if required
Spare parts and repair kits are available for long-term service support.
FAQ
Air cushioning reduces impact shock at stroke end, protects internal components, and significantly extends cylinder lifespan in high-speed or high-load operations.
Yes. The SCS2 series is dimensionally compatible with CA1 standard tie rod cylinders and can be used as a direct replacement.
Yes. The reinforced tie rod structure and high-strength piston rod make it ideal for heavy load and long stroke industrial use.
